Neu
Wilka

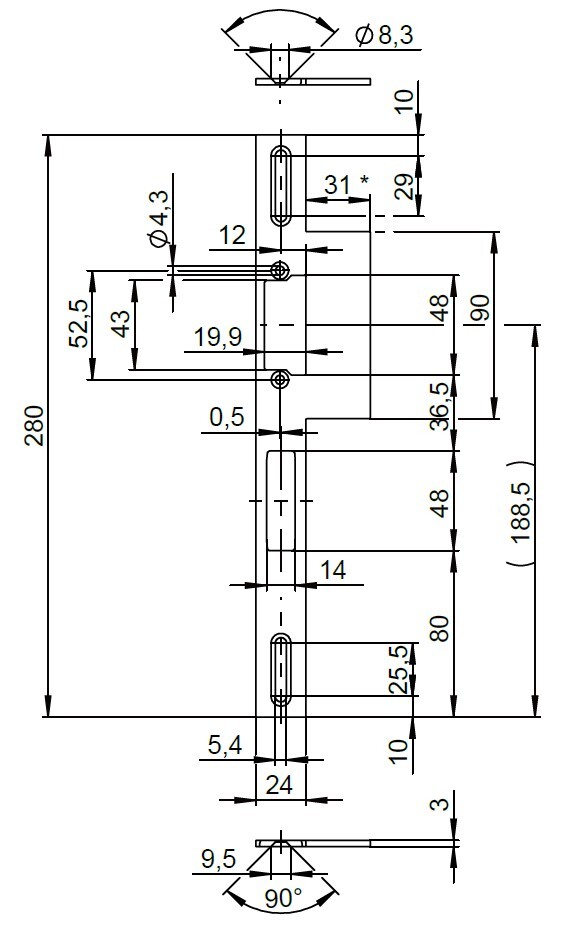
E-Öffner-Lappenschließblech AT für Schlösser mit Langlochstulp 9410

- Maße 24 x 3 x 280 mm für AT
Artikel-Nr.
020119410
VE = 1 Stück

Produktinformationen

Beschreibung
  • Material: Edelstahl rostfrei matt gebürstet
  • für Schlosstyp 1433, 1438, 1472
  • für DL Schlösser und DR Schlösser - Richtungsangabe erforderlich
  • 9410
Alternative Artikel
Zubehör

Kontakt

Unsere kompetenten Mitarbeiter im Ladengeschäft verfügen über einen guten Überblick unserer ca. 12.000 Lagerartikel, stehen Ihnen gern beratend zur Seite und nehmen Ihre Aufträge entgegen.
+493069039820 info@herminghaus24.de